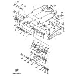
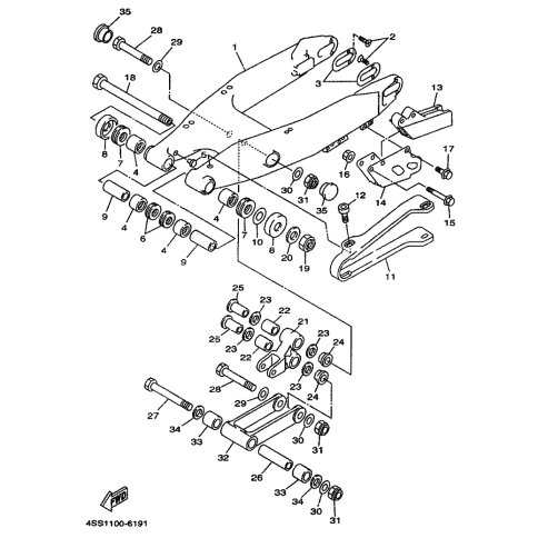
Artikelname: VERBINDUNGSSTANGE 1 (ROD, CONNECTING 1)
Hersteller: Yamaha
OEM Nummer: 4SS-2217F-00 (4SS2217F00)
Kategorien: Heck
1997
YZ250
WR250Z
YZ125
1996
YZ250
YZ125
Yamaha Motor Co., Ltd.
YAMAHA MOTOR EUROPE N.V.
Hansemannstraße 12, 41468 Neuss
Postfach 21 06 53, 41432 Neuss
Deutschland
https://global.yamaha-motor.com/
https://www.yamaha-motor.eu/de