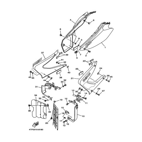
Artikelname: TAFEL 1 (PANEL 1)
Hersteller: Yamaha
OEM Nummer: 4TP-2172A-00 (4TP2172A00)
Kategorien: Seitendeckel, Seitenabdeckung
1998
LANZA (DT230)
1997
LANZA (DT230)
Yamaha Motor Co., Ltd.
YAMAHA MOTOR EUROPE N.V.
Hansemannstraße 12, 41468 Neuss
Postfach 21 06 53, 41432 Neuss
Deutschland
https://global.yamaha-motor.com/
https://www.yamaha-motor.eu/de