Artikelname: SCHUTZ (PROTECTOR, HEAT)
Hersteller: Yamaha
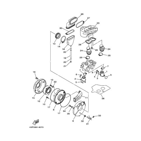
OEM Nummer: 4TR-12682-01 (4TR1268201)
Kategorien: Einlass
2006
DRAGSTAR 650 CLASSIC (XVS650A)
2005
DRAGSTAR 650 CLASSIC (XVS650A)
Yamaha Motor Co., Ltd.
YAMAHA MOTOR EUROPE N.V.
Hansemannstraße 12, 41468 Neuss
Postfach 21 06 53, 41432 Neuss
Deutschland
https://global.yamaha-motor.com/
https://www.yamaha-motor.eu/de