Artikelname: VERBINDUNG (JOINT)
Hersteller: Yamaha
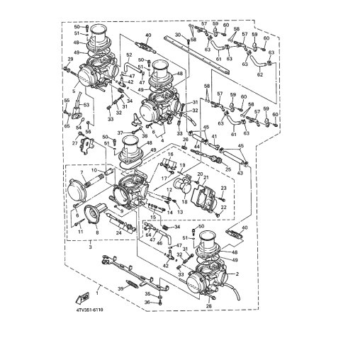
OEM Nummer: 4TV-12446-00 (4TV1244600)
Kategorien: Vergaser
2002
THUNDERCAT (YZF600R)
2001
THUNDERCAT (YZF600R)
2000
THUNDERCAT (YZF600R)
1999
THUNDERCAT (YZF600R)
1998
THUNDERCAT (YZF600R)
YZF (YZF600R)
1997
THUNDERCAT (YZF600R)
1996
THUNDERCAT (YZF600R)
Yamaha Motor Co., Ltd.
YAMAHA MOTOR EUROPE N.V.
Hansemannstraße 12, 41468 Neuss
Postfach 21 06 53, 41432 Neuss
Deutschland
https://global.yamaha-motor.com/
https://www.yamaha-motor.eu/de