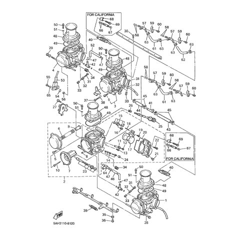
Artikelname: VERGASEREINHEIT 4 (CARBURETOR ASSY 4)
Hersteller: Yamaha
OEM Nummer: 4TV-14904-11 (4TV1490411)
Kategorien: Vergaser
1998
YZF (YZF600R)
Yamaha Motor Co., Ltd.
YAMAHA MOTOR EUROPE N.V.
Hansemannstraße 12, 41468 Neuss
Postfach 21 06 53, 41432 Neuss
Deutschland
https://global.yamaha-motor.com/
https://www.yamaha-motor.eu/de