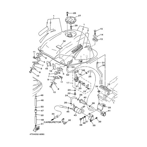
Artikelname: STUTZE (STAY)
Hersteller: Yamaha
OEM Nummer: 4TX-2452E-40 (4TX2452E40)
Kategorien: Tank
2001
TDM850
2000
TDM850
1999
TDM850
Yamaha Motor Co., Ltd.
YAMAHA MOTOR EUROPE N.V.
Hansemannstraße 12, 41468 Neuss
Postfach 21 06 53, 41432 Neuss
Deutschland
https://global.yamaha-motor.com/
https://www.yamaha-motor.eu/de