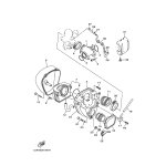
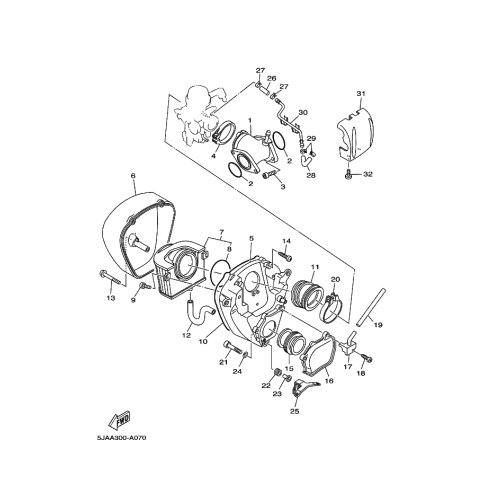
Artikelname: ROHR (PIPE)
Hersteller: Yamaha
OEM Nummer: 4WM-14419-00 (4WM1441900)
Kategorien: Einlass
2002
WILD STAR (XV1600A)
Yamaha Motor Co., Ltd.
YAMAHA MOTOR EUROPE N.V.
Hansemannstraße 12, 41468 Neuss
Postfach 21 06 53, 41432 Neuss
Deutschland
https://global.yamaha-motor.com/
https://www.yamaha-motor.eu/de