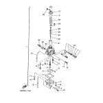
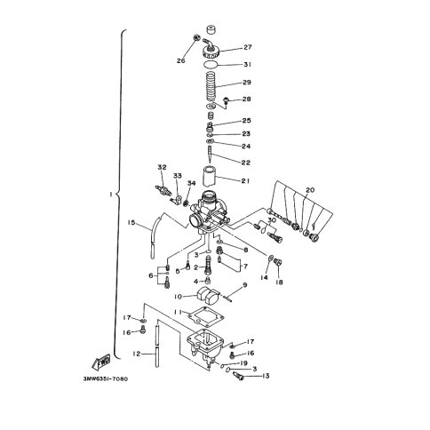
Artikelname: VERGASEREINHEIT 1 (CARBURETOR ASSY 1)
Hersteller: Yamaha
OEM Nummer: 4WP-14301-10 (4WP1430110)
Kategorien: Vergaser
1997
SR125
Yamaha Motor Co., Ltd.
YAMAHA MOTOR EUROPE N.V.
Hansemannstraße 12, 41468 Neuss
Postfach 21 06 53, 41432 Neuss
Deutschland
https://global.yamaha-motor.com/
https://www.yamaha-motor.eu/de