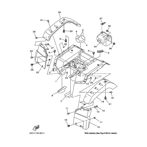
Artikelname: KOTFLUGEL, HINTERRAD (FENDER, REAR)
Hersteller: Yamaha
OEM Nummer: 4WV-21611-10 (4WV2161110)
Kategorien: Kotflügel Hinten
1998
YFM600FWA
Yamaha Motor Co., Ltd.
YAMAHA MOTOR EUROPE N.V.
Hansemannstraße 12, 41468 Neuss
Postfach 21 06 53, 41432 Neuss
Deutschland
https://global.yamaha-motor.com/
https://www.yamaha-motor.eu/de