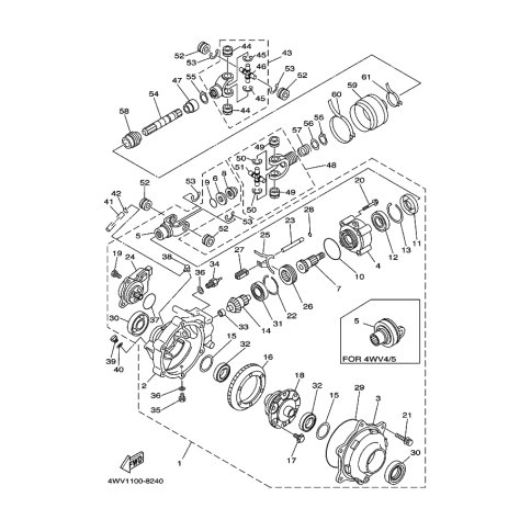
Artikelname: LIMITED SLIP DIFF. ASSY (LIMITED SLIP DIFF. ASSY)
Hersteller: Yamaha
OEM Nummer: 4WV-46470-00 (4WV4647000)
Kategorien: Differential
1998
YFM600FWA
Yamaha Motor Co., Ltd.
YAMAHA MOTOR EUROPE N.V.
Hansemannstraße 12, 41468 Neuss
Postfach 21 06 53, 41432 Neuss
Deutschland
https://global.yamaha-motor.com/
https://www.yamaha-motor.eu/de