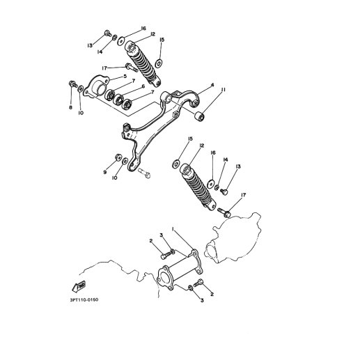
Artikelname: STOSSDAMPFEREINHEIT, HINTEN (SHOCK ABSORBER ASSY, REAR)
Hersteller: Yamaha
OEM Nummer: 4X4-22210-00-6W (4X422210006W)
Kategorien: Heck & Federung
1996
PW50
1994
PW50
1990
PW50
1988
PW50S
Yamaha Motor Co., Ltd.
YAMAHA MOTOR EUROPE N.V.
Hansemannstraße 12, 41468 Neuss
Postfach 21 06 53, 41432 Neuss
Deutschland
https://global.yamaha-motor.com/
https://www.yamaha-motor.eu/de