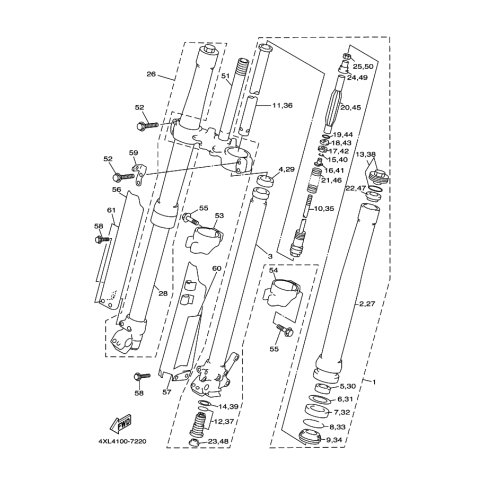
Artikelname: VALVE COMP (VALVE COMP)
Hersteller: Yamaha
OEM Nummer: 4XK-2316A-00 (4XK2316A00)
Kategorien: Gabel
1997
WR250Z
Yamaha Motor Co., Ltd.
YAMAHA MOTOR EUROPE N.V.
Hansemannstraße 12, 41468 Neuss
Postfach 21 06 53, 41432 Neuss
Deutschland
https://global.yamaha-motor.com/
https://www.yamaha-motor.eu/de