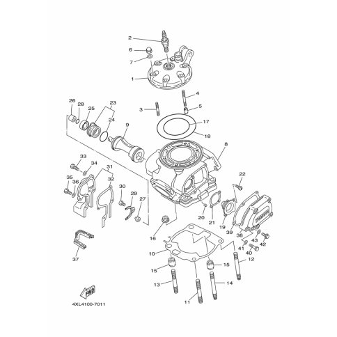
Artikelname: ZYLINDER 1 (CYLINDER 1)
Hersteller: Yamaha
OEM Nummer: 4XL-11311-10 (4XL1131110)
Kategorien: Zylinderkopf
1998
WR250Z
YZ250
Yamaha Motor Co., Ltd.
YAMAHA MOTOR EUROPE N.V.
Hansemannstraße 12, 41468 Neuss
Postfach 21 06 53, 41432 Neuss
Deutschland
https://global.yamaha-motor.com/
https://www.yamaha-motor.eu/de