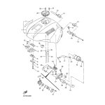
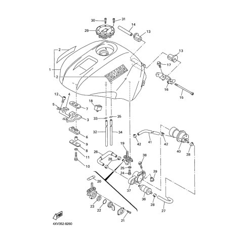
Artikelname: KONSOLE, TANKBEFESTIGUNG (BRACKT, TANK FITTING)
Hersteller: Yamaha
OEM Nummer: 4XV-21348-00 (4XV2134800)
Kategorien: Tank
1999
R1 (YZF-R1)
1998
R1 (YZF-R1)
Yamaha Motor Co., Ltd.
YAMAHA MOTOR EUROPE N.V.
Hansemannstraße 12, 41468 Neuss
Postfach 21 06 53, 41432 Neuss
Deutschland
https://global.yamaha-motor.com/
https://www.yamaha-motor.eu/de