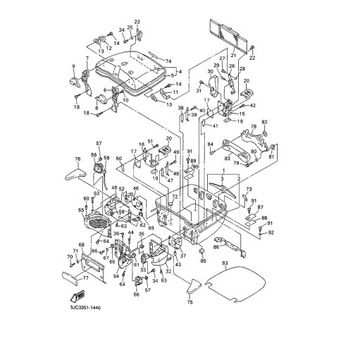
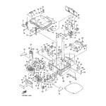
Artikelname: PLATTE, GUMMI 11 (PLATE, RUBBER 11)
Hersteller: Yamaha
OEM Nummer: 4XY-2847T-00 (4XY2847T00)
Kategorien: Reisetasche
2001
ROYALSTAR VENTURE (XVZ13TF)
Yamaha Motor Co., Ltd.
YAMAHA MOTOR EUROPE N.V.
Hansemannstraße 12, 41468 Neuss
Postfach 21 06 53, 41432 Neuss
Deutschland
https://global.yamaha-motor.com/
https://www.yamaha-motor.eu/de