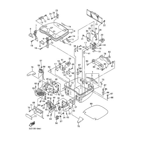
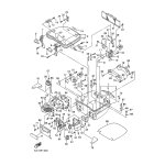
Artikelname: KONSOLE 5 (BRACKET 5)
Hersteller: Yamaha
OEM Nummer: 4XY-28486-01 (4XY2848601)
Kategorien: Reisetasche
2001
ROYALSTAR VENTURE (XVZ13TF)
2000
ROYALSTAR VENTURE (XVZ13TF)
1999
ROYALSTAR VENTURE (XVZ13TF)
Yamaha Motor Co., Ltd.
YAMAHA MOTOR EUROPE N.V.
Hansemannstraße 12, 41468 Neuss
Postfach 21 06 53, 41432 Neuss
Deutschland
https://global.yamaha-motor.com/
https://www.yamaha-motor.eu/de