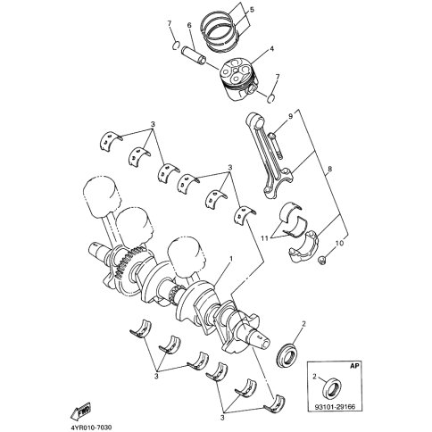
Artikelname: KURBELWELLE (CRANKSHAFT)
Hersteller: Yamaha
OEM Nummer: 4YR-11411-00 (4YR1141100)
Kategorien: Kurbelwellenkolben
1997
FZ400
Yamaha Motor Co., Ltd.
YAMAHA MOTOR EUROPE N.V.
Hansemannstraße 12, 41468 Neuss
Postfach 21 06 53, 41432 Neuss
Deutschland
https://global.yamaha-motor.com/
https://www.yamaha-motor.eu/de