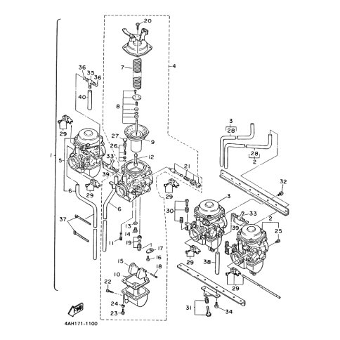
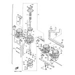
Artikelname: HAUPTZERSTAUBER (NOZZLE, MAIN)
Hersteller: Yamaha
OEM Nummer: 50H-14941-90 (50H1494190)
Kategorien: Alternative Für Vergaser, Alternative
1992
FJ1200
FJ1200A
1991
FJ1200A
FJ1200
1990
FJ1200
1988
FJ1200
Yamaha Motor Co., Ltd.
YAMAHA MOTOR EUROPE N.V.
Hansemannstraße 12, 41468 Neuss
Postfach 21 06 53, 41432 Neuss
Deutschland
https://global.yamaha-motor.com/
https://www.yamaha-motor.eu/de