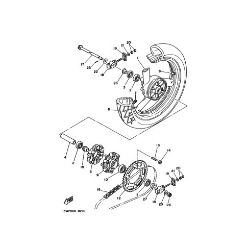
Artikelname: RADACHSE (AXLE, WHEEL)
Hersteller: Yamaha
OEM Nummer: 51L-25381-02 (51L2538102)
Kategorien: Hinterrad
1991
SRX250
Yamaha Motor Co., Ltd.
YAMAHA MOTOR EUROPE N.V.
Hansemannstraße 12, 41468 Neuss
Postfach 21 06 53, 41432 Neuss
Deutschland
https://global.yamaha-motor.com/
https://www.yamaha-motor.eu/de