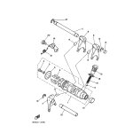
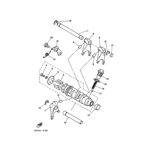
Artikelname: SCHALTGABEL 2 (FORK, SHIFT 2)
Hersteller: Yamaha
OEM Nummer: 525-18512-00 (5251851200)
Kategorien: Schaltnocken & Gabel
1989
TY125
Yamaha Motor Co., Ltd.
YAMAHA MOTOR EUROPE N.V.
Hansemannstraße 12, 41468 Neuss
Postfach 21 06 53, 41432 Neuss
Deutschland
https://global.yamaha-motor.com/
https://www.yamaha-motor.eu/de