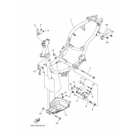
Artikelname: MOTORKONSOLE KOMPL (ENGINE BRACKET COMP)
Hersteller: Yamaha
OEM Nummer: 52B-F1410-00 (52BF141000)
Kategorien: Rahmen
2014
D'ELIGHT (XC115S)
Yamaha Motor Co., Ltd.
YAMAHA MOTOR EUROPE N.V.
Hansemannstraße 12, 41468 Neuss
Postfach 21 06 53, 41432 Neuss
Deutschland
https://global.yamaha-motor.com/
https://www.yamaha-motor.eu/de