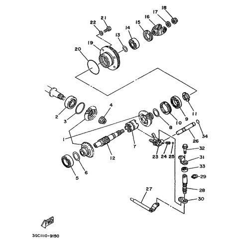
Artikelname: SHIM (SHIM)
Hersteller: Yamaha
OEM Nummer: 52G-17968-00-15 (52G179680015)
Kategorien: Mittleres Antriebsgetriebe
2004
BEAR TRACKER (YFM250)
2003
BEAR TRACKER (YFM250)
2002
BEAR TRACKER (YFM250)
1997
TIMBERWOLF (YFB250)
YFB250U (YFB250U)
1992
TIMBERWOLF (YFB250)
1990
YFM200DX (YFM200DX)
1989
MOTO 4 - 200 DX (YFM200DX)
1984
YFM200 (YFM200)
Yamaha Motor Co., Ltd.
YAMAHA MOTOR EUROPE N.V.
Hansemannstraße 12, 41468 Neuss
Postfach 21 06 53, 41432 Neuss
Deutschland
https://global.yamaha-motor.com/
https://www.yamaha-motor.eu/de