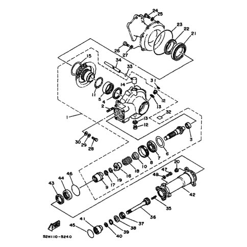
Artikelname: HINTERACHS-GETRIEBEGEHAUSE (REAR AXLE GEAR CASE ASSY)
Hersteller: Yamaha
OEM Nummer: 52G-46101-00 (52G4610100)
Kategorien: Antriebswelle
1984
YFM200 (YFM200)
Yamaha Motor Co., Ltd.
YAMAHA MOTOR EUROPE N.V.
Hansemannstraße 12, 41468 Neuss
Postfach 21 06 53, 41432 Neuss
Deutschland
https://global.yamaha-motor.com/
https://www.yamaha-motor.eu/de