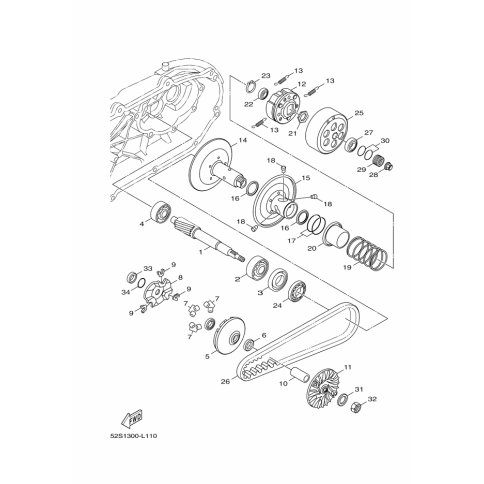
Artikelname: NEBENWIRBEL KOMPL (SECONDARY FIXED SHEAVE COMP)
Hersteller: Yamaha
OEM Nummer: 52S-E7660-00 (52SE766000)
Kategorien: Kupplung
2014
MAJESTY S (XC125R)
XENTER 125 (HW125)
XENTER 150 (HW151)
2012
XENTER 150 (HW151)
XENTER 125 (HW125)
Yamaha Motor Co., Ltd.
YAMAHA MOTOR EUROPE N.V.
Hansemannstraße 12, 41468 Neuss
Postfach 21 06 53, 41432 Neuss
Deutschland
https://global.yamaha-motor.com/
https://www.yamaha-motor.eu/de