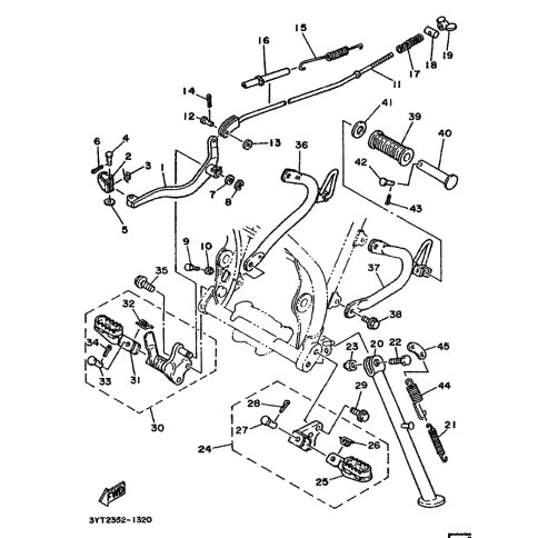
Artikelname: SEITENSTANDER (STAND, SIDE)
Hersteller: Yamaha
OEM Nummer: 55V-27311-01 (55V2731101)
Kategorien: Ständer & Fussraste
1992
XT350
Yamaha Motor Co., Ltd.
YAMAHA MOTOR EUROPE N.V.
Hansemannstraße 12, 41468 Neuss
Postfach 21 06 53, 41432 Neuss
Deutschland
https://global.yamaha-motor.com/
https://www.yamaha-motor.eu/de