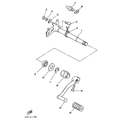
Artikelname: SCHALTPEDAL (PEDAL, SHIFT)
Hersteller: Yamaha
OEM Nummer: 583-18111-01 (5831811101)
Kategorien: Schaltung
1989
XT500
Yamaha Motor Co., Ltd.
YAMAHA MOTOR EUROPE N.V.
Hansemannstraße 12, 41468 Neuss
Postfach 21 06 53, 41432 Neuss
Deutschland
https://global.yamaha-motor.com/
https://www.yamaha-motor.eu/de