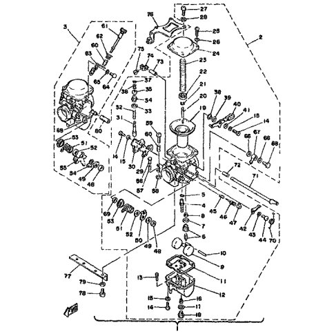
Artikelname: DUSE, LEERLAUF (JET, PILOT)
Hersteller: Yamaha
OEM Nummer: 584-14142-20 (5841414220)
Kategorien: Vergaser
1979
XS250
Yamaha Motor Co., Ltd.
YAMAHA MOTOR EUROPE N.V.
Hansemannstraße 12, 41468 Neuss
Postfach 21 06 53, 41432 Neuss
Deutschland
https://global.yamaha-motor.com/
https://www.yamaha-motor.eu/de