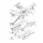
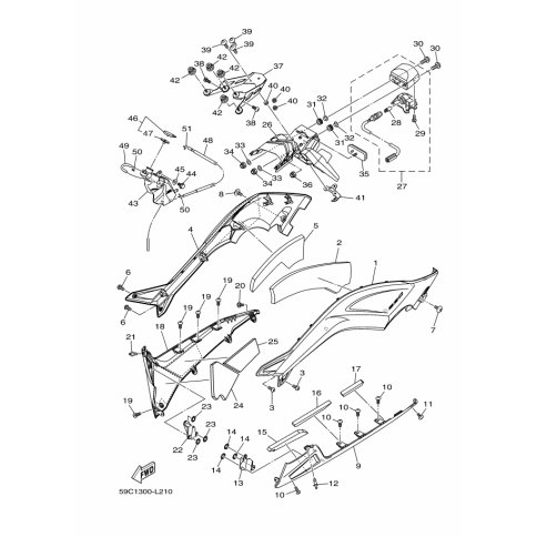
Artikelname: H. STUTZE KOMPL (REAR STAY COMP)
Hersteller: Yamaha
OEM Nummer: 59C-21640-10 (59C2164010)
Kategorien: Seitendeckel
2014
TMAX (XP500)
TMAX ABS (XP500A)
2013
TMAX ABS (XP500A)
TMAX (XP500)
Yamaha Motor Co., Ltd.
YAMAHA MOTOR EUROPE N.V.
Hansemannstraße 12, 41468 Neuss
Postfach 21 06 53, 41432 Neuss
Deutschland
https://global.yamaha-motor.com/
https://www.yamaha-motor.eu/de