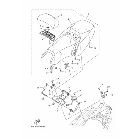
Artikelname: SITZBANK KOMPL (DOUBLE SEAT ASSY)
Hersteller: Yamaha
OEM Nummer: 59C-24730-11 (59C2473011)
Kategorien: Sitz
2014
TMAX (XP500)
TMAX ABS (XP500A)
Yamaha Motor Co., Ltd.
YAMAHA MOTOR EUROPE N.V.
Hansemannstraße 12, 41468 Neuss
Postfach 21 06 53, 41432 Neuss
Deutschland
https://global.yamaha-motor.com/
https://www.yamaha-motor.eu/de