Artikelname: SEIL (ROPE)
Hersteller: Yamaha
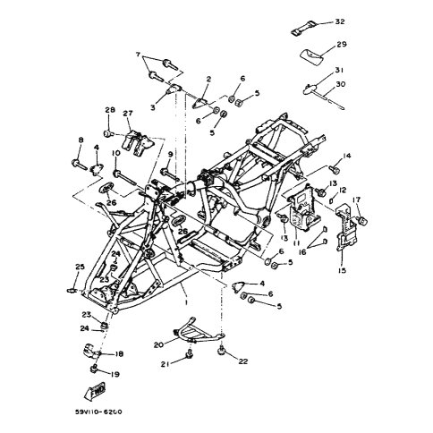
OEM Nummer: 59V-15781-00 (59V1578100)
Kategorien: Rahmen
1986
YFM225N (YFM225N)
Yamaha Motor Co., Ltd.
YAMAHA MOTOR EUROPE N.V.
Hansemannstraße 12, 41468 Neuss
Postfach 21 06 53, 41432 Neuss
Deutschland
https://global.yamaha-motor.com/
https://www.yamaha-motor.eu/de