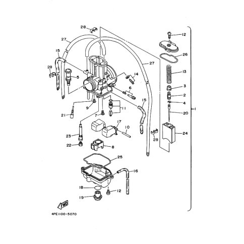
Artikelname: NADEL (NEEDLE)
Hersteller: Yamaha
OEM Nummer: 5A0-14116-E1 (5A014116E1)
Kategorien: Vergaser
1997
YZ125
1996
YZ125
Yamaha Motor Co., Ltd.
YAMAHA MOTOR EUROPE N.V.
Hansemannstraße 12, 41468 Neuss
Postfach 21 06 53, 41432 Neuss
Deutschland
https://global.yamaha-motor.com/
https://www.yamaha-motor.eu/de