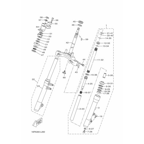
Artikelname: VERSCHLUSSCHRAUBE 1 ROHR (CAP)
Hersteller: Yamaha
OEM Nummer: 5B2-F3154-20 (5B2F315420)
Kategorien: Gabel 2, Gabel 3, Lenkung
2013
X-CITY 250 (VP250)
2012
X-CITY 125 (VP125)
X-CITY 250 (VP250)
2011
X-CITY 125 (VP125)
X-CITY 250 (VP250)
2010
X-CITY 250 (VP250)
2009
X-CITY 250 (VP250)
2008
X-CITY 250 (VP250)
2007
X-CITY 250 (VP250)
Yamaha Motor Co., Ltd.
YAMAHA MOTOR EUROPE N.V.
Hansemannstraße 12, 41468 Neuss
Postfach 21 06 53, 41432 Neuss
Deutschland
https://global.yamaha-motor.com/
https://www.yamaha-motor.eu/de