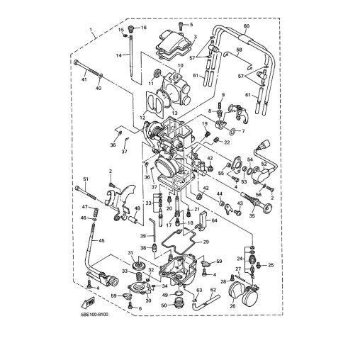
Artikelname: NADEL (NEEDLE)
Hersteller: Yamaha
OEM Nummer: 5BE-14916-CP (5BE14916CP)
Kategorien: Vergaser
1999
YZ400F
1998
YZ400F
Yamaha Motor Co., Ltd.
YAMAHA MOTOR EUROPE N.V.
Hansemannstraße 12, 41468 Neuss
Postfach 21 06 53, 41432 Neuss
Deutschland
https://global.yamaha-motor.com/
https://www.yamaha-motor.eu/de