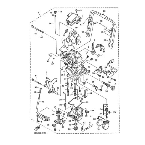
Artikelname: MEMBRANEINHEIT (DIAPHRAGM ASSY)
Hersteller: Yamaha
OEM Nummer: 5BE-14940-09 (5BE1494009)
Kategorien: Vergaser
1998
YZ400F
WR400F
Yamaha Motor Co., Ltd.
YAMAHA MOTOR EUROPE N.V.
Hansemannstraße 12, 41468 Neuss
Postfach 21 06 53, 41432 Neuss
Deutschland
https://global.yamaha-motor.com/
https://www.yamaha-motor.eu/de