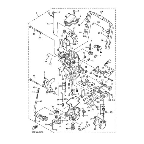
Artikelname: ROHR 3 (PIPE 3)
Hersteller: Yamaha
OEM Nummer: 5BF-14873-00 (5BF1487300)
Kategorien: Vergaser
1999
WR400F
1998
WR400F
Yamaha Motor Co., Ltd.
YAMAHA MOTOR EUROPE N.V.
Hansemannstraße 12, 41468 Neuss
Postfach 21 06 53, 41432 Neuss
Deutschland
https://global.yamaha-motor.com/
https://www.yamaha-motor.eu/de