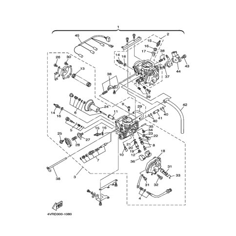
Artikelname: VERGASEREINHEIT (CARBURETOR ASSY)
Hersteller: Yamaha
OEM Nummer: 5BN-14900-31 (5BN1490031)
Kategorien: Vergaser
2002
DRAGSTAR 650 (XVS650)
DRAGSTAR 650 CLASSIC (XVS650A)
Yamaha Motor Co., Ltd.
YAMAHA MOTOR EUROPE N.V.
Hansemannstraße 12, 41468 Neuss
Postfach 21 06 53, 41432 Neuss
Deutschland
https://global.yamaha-motor.com/
https://www.yamaha-motor.eu/de