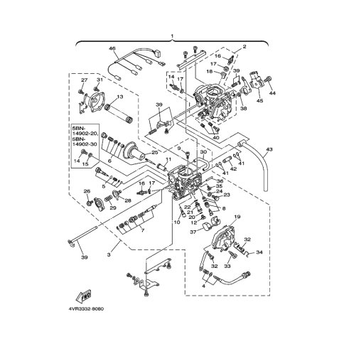
Artikelname: VERGASEREINHEIT 1 (CARBURETOR ASSY 1)
Hersteller: Yamaha
OEM Nummer: 5BN-14901-20 (5BN1490120)
Kategorien: Vergaser
2001
DRAGSTAR 650 CLASSIC (XVS650A)
DRAGSTAR 650 (XVS650)
2000
DRAGSTAR 650 CLASSIC (XVS650A)
DRAGSTAR 650 (XVS650)
1999
DRAGSTAR 650 CLASSIC (XVS650A)
DRAGSTAR 650 (XVS650)
1998
DRAGSTAR 650 (XVS650)
DRAGSTAR CLASSIC (XVS650A)
Yamaha Motor Co., Ltd.
YAMAHA MOTOR EUROPE N.V.
Hansemannstraße 12, 41468 Neuss
Postfach 21 06 53, 41432 Neuss
Deutschland
https://global.yamaha-motor.com/
https://www.yamaha-motor.eu/de