Artikelname: SEILZUGVERBINDUNG (JOINT, CABLE)
Hersteller: Yamaha
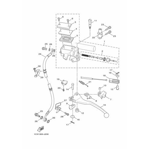
OEM Nummer: 5C3-26347-00 (5C32634700)
Kategorien: Hauptbremszylinder
2018
NEO'S 4 UBS (YN50FU)
2015
NEO'S 4 UBS (YN50FU)
2013
NEO'S 4 UBS (YN50FU)
2012
XENTER 150 (HW151)
NEO'S 4 UBS (YN50FU)
2011
NEO'S 4 UBS (YN50F)
BW'S 125 (YW125)
Yamaha Motor Co., Ltd.
YAMAHA MOTOR EUROPE N.V.
Hansemannstraße 12, 41468 Neuss
Postfach 21 06 53, 41432 Neuss
Deutschland
https://global.yamaha-motor.com/
https://www.yamaha-motor.eu/de