Artikelname: MANUAL,OWNERS
Hersteller: Yamaha
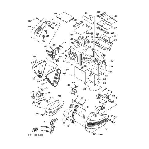
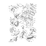
OEM Nummer: 5C4-28199-S2 (5C428199S2)
Kategorien: Seitendeckel
2008
XV1900A MIDNIGHT STAR
Yamaha Motor Co., Ltd.
YAMAHA MOTOR EUROPE N.V.
Hansemannstraße 12, 41468 Neuss
Postfach 21 06 53, 41432 Neuss
Deutschland
https://global.yamaha-motor.com/
https://www.yamaha-motor.eu/de