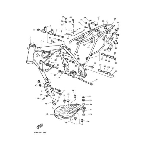
Artikelname: GUIDE, WIRE HARNESS
Hersteller: Yamaha
OEM Nummer: 5CH-F1397-20 (5CHF139720)
Kategorien: Rahmen
2004
TT600RE (TT600RE)
Yamaha Motor Co., Ltd.
YAMAHA MOTOR EUROPE N.V.
Hansemannstraße 12, 41468 Neuss
Postfach 21 06 53, 41432 Neuss
Deutschland
https://global.yamaha-motor.com/
https://www.yamaha-motor.eu/de