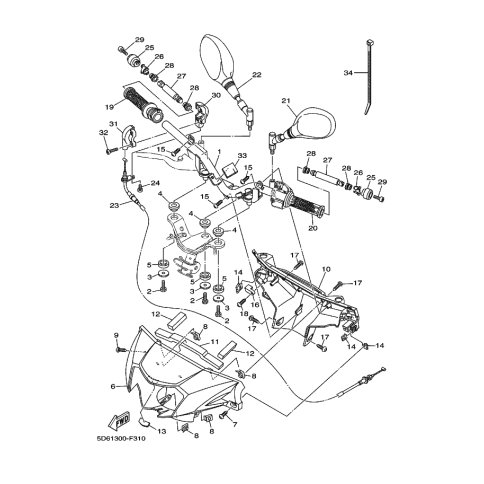
Artikelname: OBERE LENKERABDECKUNG 2 (COVER, HANDLEBAR UPPER 2)
Hersteller: Yamaha
OEM Nummer: 5D6-F6145-00-P1 (5D6F614500P1)
Kategorien: Lenker, Griff & Kabel
2007
T135FI CRYPTON X
Yamaha Motor Co., Ltd.
YAMAHA MOTOR EUROPE N.V.
Hansemannstraße 12, 41468 Neuss
Postfach 21 06 53, 41432 Neuss
Deutschland
https://global.yamaha-motor.com/
https://www.yamaha-motor.eu/de