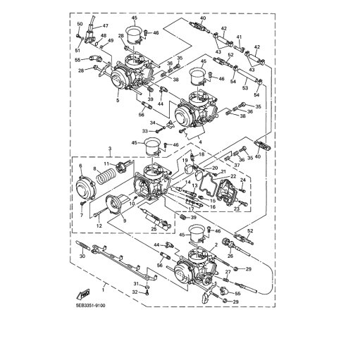
Artikelname: NADEL (NEEDLE (N7TA))
Hersteller: Yamaha
OEM Nummer: 5EB-14916-21 (5EB1491621)
Kategorien: Vergaser
2002
YZF-R6 (YZF-R6)
2001
YZF-R6 (YZF-R6)
Yamaha Motor Co., Ltd.
YAMAHA MOTOR EUROPE N.V.
Hansemannstraße 12, 41468 Neuss
Postfach 21 06 53, 41432 Neuss
Deutschland
https://global.yamaha-motor.com/
https://www.yamaha-motor.eu/de