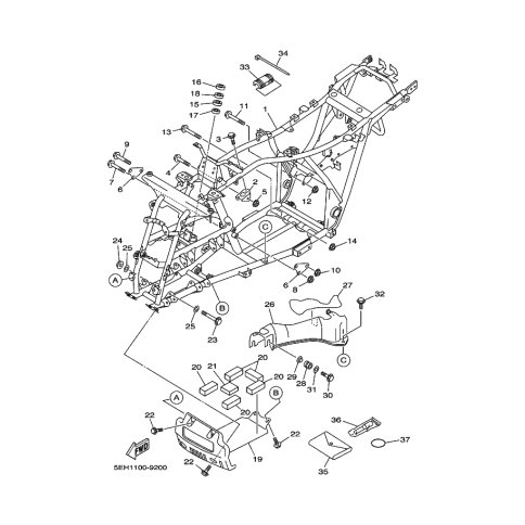
Artikelname: RAHMEN KOMPL (FRAME COMP)
Hersteller: Yamaha
OEM Nummer: 5EH-21110-00 (5EH2111000)
Kategorien: Rahmen
1999
KODIAK 400 (YFM400FWB)
Yamaha Motor Co., Ltd.
YAMAHA MOTOR EUROPE N.V.
Hansemannstraße 12, 41468 Neuss
Postfach 21 06 53, 41432 Neuss
Deutschland
https://global.yamaha-motor.com/
https://www.yamaha-motor.eu/de