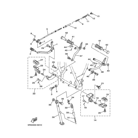
Artikelname: VORDERE JUSSRASTE KOMPL. (R (FRONT FOOTREST ASSY (RIGHT))
Hersteller: Yamaha
OEM Nummer: 5EK-27420-11 (5EK2742011)
Kategorien: Ständer & Fussraste
2004
TW125 (TW125)
TW125
Yamaha Motor Co., Ltd.
YAMAHA MOTOR EUROPE N.V.
Hansemannstraße 12, 41468 Neuss
Postfach 21 06 53, 41432 Neuss
Deutschland
https://global.yamaha-motor.com/
https://www.yamaha-motor.eu/de