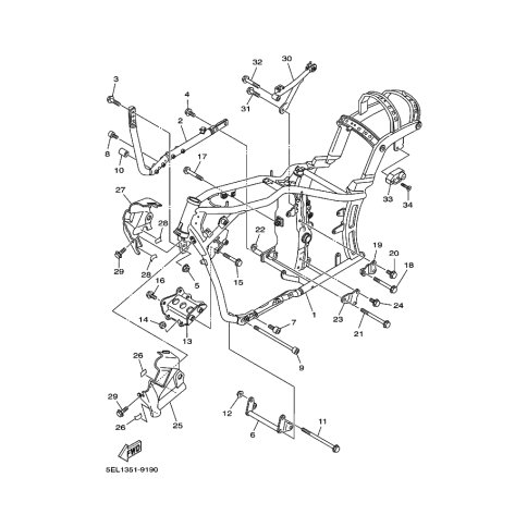
Artikelname: SEITENDECKEL 5 (COVER, SIDE 5)
Hersteller: Yamaha
OEM Nummer: 5EL-2171E-00 (5EL2171E00)
Kategorien: Rahmen
2006
DRAGSTAR 1100 CLASSIC (XVS1100A)
2005
DRAGSTAR 1100 CLASSIC (XVS1100A)
2004
DRAGSTAR 1100 CLASSIC (XVS1100A)
2003
DRAGSTAR 1100 CLASSIC (XVS1100A)
V STAR 1100 CUSTOM (XVS1100)
V-STAR 1100 (XVS1100)
2002
DRAGSTAR 1100 (XVS1100)
DRAGSTAR 1100 CLASSIC (XVS1100A)
2001
DRAGSTAR 1100 (XVS1100)
DRAGSTAR 1100 CLASSIC (XVS1100A)
2000
DRAGSTAR 1100 (XVS1100)
DRAGSTAR 1100 CLASSIC (XVS1100A)
1999
DRAGSTAR 1100 (XVS1100)
Yamaha Motor Co., Ltd.
YAMAHA MOTOR EUROPE N.V.
Hansemannstraße 12, 41468 Neuss
Postfach 21 06 53, 41432 Neuss
Deutschland
https://global.yamaha-motor.com/
https://www.yamaha-motor.eu/de