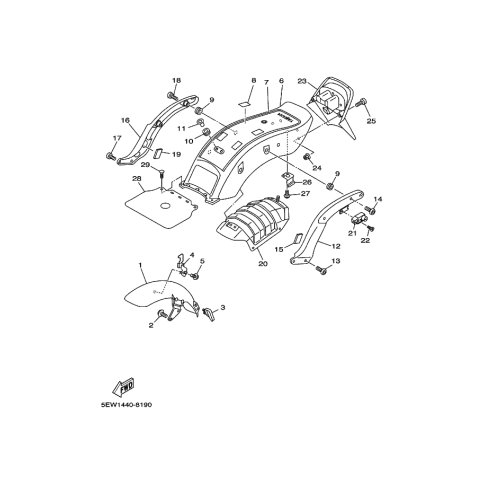
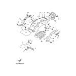
Artikelname: KOTFLUGEL, HINTERRAD (FENDER, REAR)
Information: DPBM2
Hersteller: Yamaha
OEM Nummer: 5EW-F1611-00-P1 (5EWF161100P1)
Kategorien: Kotflugel
1998
XVS650
Yamaha Motor Co., Ltd.
YAMAHA MOTOR EUROPE N.V.
Hansemannstraße 12, 41468 Neuss
Postfach 21 06 53, 41432 Neuss
Deutschland
https://global.yamaha-motor.com/
https://www.yamaha-motor.eu/de