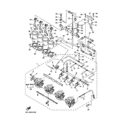
Artikelname: ROHR (PIPE, FUEL INJECTION 2)
Hersteller: Yamaha
OEM Nummer: 5FL-12882-00 (5FL1288200)
Kategorien: Einlass
1999
R7 (YZF-R7)
Yamaha Motor Co., Ltd.
YAMAHA MOTOR EUROPE N.V.
Hansemannstraße 12, 41468 Neuss
Postfach 21 06 53, 41432 Neuss
Deutschland
https://global.yamaha-motor.com/
https://www.yamaha-motor.eu/de