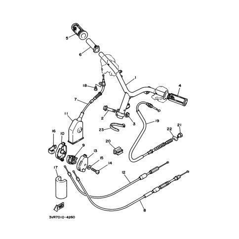
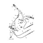
Artikelname: VERBINDUNGS STUCK (???,???????)
Hersteller: Yamaha
OEM Nummer: 5G3-26263-02 (5G32626302)
Kategorien: Allgemein
1997
YA90
1994
YA90
1992
AXIS (YA90HS)
ACTIVE (CH80)
AXIS (YA90H)
1991
AXIS (YA90)
JOG (CY90)
1990
AXIS (YA90)
ACTIVE (CH80)
BELUGA (CH50)
1989
BELUGA (CH50)
Yamaha Motor Co., Ltd.
YAMAHA MOTOR EUROPE N.V.
Hansemannstraße 12, 41468 Neuss
Postfach 21 06 53, 41432 Neuss
Deutschland
https://global.yamaha-motor.com/
https://www.yamaha-motor.eu/de