Artikelname: METER ASSY (SPEEDOMETER ASSY)
Hersteller: Yamaha
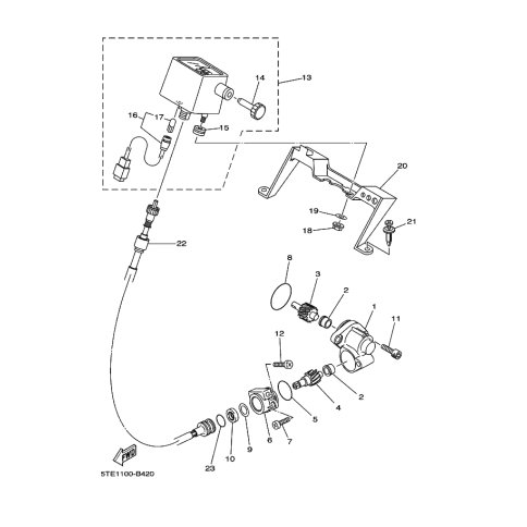
OEM Nummer: 5GH-83500-00 (5GH8350000)
Kategorien: Tacho
                                                                                             
                                            
                                        
                                        
                                            
                                        
                                        
                                            
    
    
    
                                        
                                    
                                
             
                                
                                                        
                                        2004
KODIAK 400 4WD (YFM400FWAN)
                                        
                                    
            
                                
                                                        
                                        Yamaha Motor Co., Ltd. 
YAMAHA MOTOR EUROPE N.V.
Hansemannstraße 12, 41468 Neuss
Postfach 21 06 53, 41432 Neuss
Deutschland
https://global.yamaha-motor.com/
https://www.yamaha-motor.eu/de