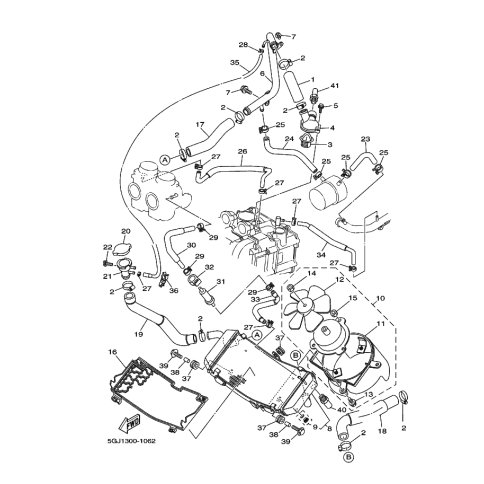
Artikelname: SCHLAUCH 5 (HOSE 5)
Hersteller: Yamaha
OEM Nummer: 5GJ-12588-00 (5GJ1258800)
Kategorien: Kühler & Schlauch
2001
TMAX (XP500)
Yamaha Motor Co., Ltd.
YAMAHA MOTOR EUROPE N.V.
Hansemannstraße 12, 41468 Neuss
Postfach 21 06 53, 41432 Neuss
Deutschland
https://global.yamaha-motor.com/
https://www.yamaha-motor.eu/de